Krasnoyarsk, Russian Federation
Russian Federation
Krasnoyarsk, Russian Federation
Krasnoyarsk, Russian Federation
UDC 614.843.3
The article shows the relevance of solving the problems related to preserving the serviceability of pump-hose systems when extinguishing fires in conditions of negative outdoor temperatures. High efficiency of application of the fabric-syntepon cover developed by the authors and used for creation of thermal protection of the fire three-way branching in comparison with the standard fire branching has been experimentally established. It was found that the application of the developed thermal protection allows to increase the time of water cooling in the three-way branching to 0℃ from ≈42 min to ≈71 min, which indicates a high thermal protection efficiency of the fabric-syntepon cover, almost equal to the effectiveness of the method of sealing, but proved to be more durable, technologically advanced in manufacturing and convenient in use. The method of thermal protection of fire branches considered by the authors is recommended for application in fire protection units, organizing the supply of fire extinguishing agents (water and solutions based on it) in conditions of extremely low temperatures. As a development of the topic, the authors plan to conduct in the near future field experiments to determine the thermal protection efficiency of fabric-syntepon covers with variable thicknesses of syntepon layers and other cover materials.
fire hose branches, low and negative temperature, cover, thermal protection efficiency
Введение
В настоящее время одним из приоритетных направлений развития науки, техники и технологий в системе МЧС России до 2030 года является разработка и внедрение многофункциональных и универсальных образцов пожарной и аварийно-спасательной техники, оборудования, обеспечивающих повышение эффективности выполнения подразделениями МЧС России задач по предназначению, в том числе - в условиях Арктического региона Российской Федерации. Анализ и количество научных публикаций, связанных с разработкой и совершенствованием технических средств, применяемых при организации подачи огнетушащих средств (вода и растворы на ее основе) в условиях отрицательных температур наружного воздуха свидетельствует об актуальности исследований в данной области [1-8]. В исследовании, представленном в работе [8], авторы провели экспериментальные испытания, которые подтвердили, что наиболее подвержены риску перемерзания такие элементы насосно-рукавных систем (далее - НРС), как трехходовые пожарные разветвления (далее - РТ), пожарные соединительные и переходные головки. Данные элементы, будучи критически важными для обеспечения эффективной работы НРС в условиях низких температур, создают повышенную уязвимость к образованию льда, что может значительно осложнить процесс пожаротушения и привести к снижению тактических возможностей пожарных подразделений [9]. Таким образом, необходимо уделять особое внимание вопросам теплоизоляции и защиты этих элементов от замерзания воды в них в зимний период.
В научной публикации [8] авторами уже произведена оценка эффективности термозащиты РТ-80, выполненной путем нанесения слоя пенополиуретановой монтажной пены на их поверхность. В условиях современных требований к пожарной безопасности и эффективному использованию НРС возникает крайняя необходимость в разработке более эффективных решений, способствующих подавлению или торможению теплообменных процессов, возникающих при остывании воды в условиях экстремально низких арктических температур. Поэтому разработка новых теплоизолирующих материалов и технологий становится важной задачей для обеспечения надежности и безопасности работы НРС в суровых климатических условиях.
Целью данного исследования является оценка термозащитной эффективности изготовленного авторами тканевого чехла (Рис.1), применяемого для создания тепловой защиты РТ-80.

Рис.1. Вид изготовленного авторами тканевого чехла, применяемого для создания тепловой защиты трехходового пожарного разветвления (фото авторов)
Материалы, приборы и методы исследования
Для изготовления, представленного на рис. 1 тканевого чехла авторы использовали водоотталкивающую ткань «Оксфорд» черного цвета, выполненную из синтетических нитей. Указанный материал известен своими эксплуатационными характеристиками, такими как – износостойкость, устойчивость к загрязнениям. С целью увеличения толщины теплозащитного слоя чехла использовали материал, широко применяемый в качестве утеплителя для верхней одежды, - синтепон (плотностью 100 г/м2). В состав синтепона включают полиэфирные нити, которые придают ему свойства легкости и воздушности. Именно за счет указанных свойств синтепон обладает высокими теплоизоляционными свойствами. Для осуществления фиксации изготовленного чехла на РТ-80 и более тщательной подгонки использовали текстильные застежки с крючками. Тканевый чехол РТ целесообразно использовать личным составом при подготовке пожарной техники к осенне-зимнему периоду и снимать его после наступления положительных температур – весной.
Для осуществления возможности ежесекундного снятия показаний изменения температуры воды внутри РТ в ходе проводимого эксперимента авторами выполнены две головки-заглушки со штуцерами (рис. 2), позволяющие подключать термометры сопротивления из платины технические ТПТ-1-3-100П-А4-Н-60/8 (далее – термометры). Термометры являются одним из элементов созданной авторами экспериментально-исследовательской установки [10] и предназначены для измерения температуры твердых, жидких и газообразных сред в диапазоне температур от минус 50 до плюс 100°С.

Рис.2. Вид изготовленных авторами головок-заглушек со штуцерами (фото авторов)
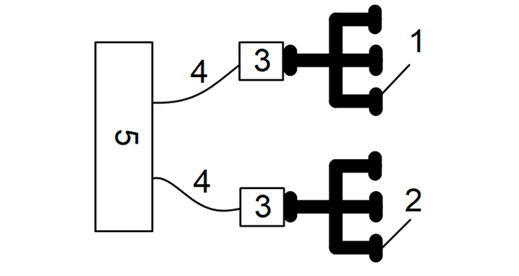
На Рис.3 представлена принципиальная схема, использованная для оценки эффективности тканевого чехла, применённого для создания тепловой защиты пожарного трехходового разветвления.

Рис.3. Схема эксперимента по оценке теплозащитного тканевого чехла для пожарного трехходового разветвления
На Рис.3 представлены:
1 - РТ-80 с теплозащитным тканевым чехлом;
2 - РТ-80 без теплозащиты;
3 - термометры сопротивления из платины технические ТПТ-1-3-100П-А4-Н-60/8 [10];
4 - линии связи от термометров к тепловычислителю СПТ941.20 [10];
5 - тепловычислитель СПТ941.20, выполняющий функции приемно-контрольного прибора по регистрации и визуализации параметров (избыточного давления, температуры, расхода) [10].
Общий вид реализованной схемы измерений представлен на фото (Рис.4).

Рис.4. Фрагменты эксперимента по определению эффективности применения тканевого чехла, используемого для создания тепловой защиты пожарного трехходового разветвления (фото авторов)
Основная часть
При подготовке к экспериментальным исследованиям у каждого РТ закрывали один из патрубков с номинальным (условным) диаметром DN 80 пожарной головкой-заглушкой (далее – ГЗ-80), далее в полость заливали водопроводную воду с температурой +24,2℃ , а второй патрубок РТ закрывали ГЗ-80 со штуцером (Рис.2) специально изготовленной для организации и проведении эксперимента. Подготовленные к исследованиям РТ размещали снаружи здания УПСЧ Академии. Исследования проводили при температуре окружающего воздуха минус 13℃ . В качестве источника воды использовалась система горячего водоснабжения учебной пожарно-спасательной части Сибирской пожарно-спасательной академии ГПС МЧС России (далее – УПСЧ Академии).
В процессе эксперимента каждые 15 минут производили фиксацию значений температуры воды в пожарных разветвлениях с помощью термопар. Динамика снижения температуры воды в пожарных разветвлениях представлена в Таблице.
Таблица. Изменение температуры воды в пожарных разветвлениях во времени
| Время, мин | 0 | 15 | 30 | 45 | 60 |
| Температура воды в разветвлении без теплозащиты (базовая модель), ℃ | 24,2 | 10,5 | 4,6 | -0,7 | -2,5 |
| Температура воды в разветвлении с теплозащитным чехлом, ℃ | 24,2 | 14,1 | 9,5 | 4,7 | 2,1 |
| Температура воздуха, |
-13 | -13 | -13 | -13 | -13 |
Для более наглядного представления и удобства сравнительного анализа по табличным данным построили графики зависимости температуры воды внутри разветвлений от времени в процессе охлаждения в условиях отрицательной температуры наружного воздуха (-18

Рис.5. Полиномиальные (второй степени) аппроксимации динамики остывания воды в РТ-80 с 24,2
Из графиков следует, что применение тепловой защиты позволяет увеличить время остывания воды в РТ до 0
Заключение
Показана актуальность решения проблем, связанных с сохранением работоспособности насосно-рукавных систем при тушении пожаров в условиях отрицательных температур наружного воздуха.
Установлена высокая эффективность применения тканевого чехла «пассивного» теплосберегающего типа, используемого для создания тепловой защиты пожарного трехходового разветвления в сравнении со стандартным пожарным разветвлением.
На созданной авторами экспериментально-исследовательской установке экспериментально установлено, что время снижения температуры воды в теплозащищенном ткане-синтепоновом чехле РТ почти в два раза больше, чем в незащищённом РТ.
Рассмотренный авторами метод тепловой защиты пожарных разветвлений рекомендуется для применения в подразделениях пожарной охраны, организующих подачу огнетушащих веществ (воды и растворов на ее основе) в условиях экстремально низких температур.
В качестве развития темы авторы планируют в ближайшее время провести натурные эксперименты по определению теплозащитной эффективности ткане-синтепоновых чехлов с переменными толщинами синтепоновых слоёв и другими материалами чехлов.
1. Evolution of technical means of ensuring the operability of pump-and-hose systems of fire trucks at low temperatures / M. V. Aleshkov, A. V. Rozhkov, V. M. Klimovtsov, and R. A. Emelyanov // Fires and Emergencies: Prevention and Elimination. – 2008. – No. 2. – Pp. 36-40. – EDN SKAVCD.
2. Dvoenko, O. V. Pump and Hose Systems of Fire Trucks for Fire Suppression and Emergency Water Supply at Power Plants in Low-Temperature Conditions: Dissertation for the Degree of Candidate of Technical Sciences in the Field of Fire and Industrial Safety (by Industry): Abstract of the Dissertation / Dvoenko Oleg Viktorovich. – Moscow, 2014. – 22 p. – EDN ZPNGHX.
3. The history of the development of firefighting equipment adapted for operation in low-temperature conditions / M. V. Aleshkov, M. D. Bezborodko, I. A. Olkhovsky, and O. V. Dvoenko // Fire and Explosion Safety. – 2016. – Vol. 25, No. 11. – Pp. 77-83. – DOIhttps://doi.org/10.18322/PVB.2016.25.11.77-83. – EDN XCNSUD.
4. Factors Determining the Tactical Potential of Fire and Rescue Units in Extreme Cold Conditions / M. V. Aleshkov, M. D. Bezborodko, N. P. Kopylov, and O. V. Dvoenko // Fire and Explosion Safety. – 2016. – Vol. 25, No. 12. – Pp. 61-68. – DOIhttps://doi.org/10.18322/PVB.2016.25.12.61-68. – EDN XWVMHJ.
5. Utility Model Patent No. 203100 U1 Russian Federation, IPC A62C 27/00. fire tanker truck with a system for ensuring the operability of pumping and bag systems at extremely low temperatures: No. 2020105720: application 02/06/2020: published 03/22/2021 / V. N. Kazakov, E. A. Yemelyanov, I. N. Smolensky [et al.]; applicant is the Russian Federation, represented by the Ministry of the Russian Federation for Civil Defence, Emergencies and Disaster Relief. – EDN CRLOTQ.
6. Patent No. 2764409 C1, Russian Federation, IPC A62C 11/00. Device for a fire pump-and-hose system to improve its adaptation to low temperatures: No. 2020139902: applied on 03.12.2020: published on 18.01.2022 / M. A. Savin, V. I. Andreev, A. A. Voronin [et al.]. – EDN OFXBVF.
7. Kurtov, S. O. A device that improves the efficiency of pump-hose systems in cold environments / S. O. Kurtov, V. A. Gorshunov // Young Scientists in Solving Current Security Issues: Proceedings of the 12th All-Russian Scientific and Practical Conference, Zheleznogorsk, May 26, 2023. – Zheleznogorsk: Federal State Budgetary Educational Institution of Higher Education “Siberian Fire and Rescue Academy of the State Fire Service of the Ministry of the Russian Federation for Civil Defense, Emergencies, and Disaster Relief”, 2023. – Pp. 340-342. – EDN OLTVDN.
8. Maly, V. P. Research of the effectiveness of the foaming method used to create thermal protection for fire hose branches / V. P. Maly, S. O. Kurtov, A. Yu. Troyak // Modern Problems of Civil Protection. – 2023. – No. 4(49). – Pp. 162-169. – EDN CIQPZC.
9. Podgrushny, A. V. Improving the Management of Combat Operations of Fire Units by Increasing Their Tactical Capabilities: Speciality 05.13.10 "Management in Social and Economic Systems": Abstract of a Dissertation for the Degree of Candidate of Technical Sciences / Podgrushny Alexander Vasilyevich. – Moscow, 2004. – 23 p. – EDN NHMOML.
10. V. P. Maly, S. O. Kurtov, A. S. Lunev [Substantiation of the choice of the composition of an experimental research installation for measuring the thermohydraulic parameters of elements of pumping and sleeve systems] // South Siberian Scientific Bulletin. – 2024. – № 2(54). – Pp. 60-68. – DOIhttps://doi.org/10.25699/SSSB.2024.54.2.006. – EDN OZOYAH.




